关键功能
SX系列设计用于在高达20 m/s(3937 ft/min)的轴表面速度上的水平散布设备上使用油脂,干燥的跑步和油脂应用。
SX也可以用于绝大多数现有的石油薄雾应用中,该应用符合现在的超级和API 610,第7版要求以及少量的油雾逃避到大气中。
应用条件:
●适用于符合API 610第7版标准油雾润滑的工作条件。
●设计以20m/s的速度运行的水平设备的轴向密封环,用于飞溅润滑/油脂润滑和其他线性条件。
●少量的油雾润滑条件,以防止泄漏到大气端。
关键功能
■非接触,零摩擦,永久轴承保护。
■动态的O形圈设计,以防止在设备冷却时进入轴承盒。
■零维护。
■零功耗。
■一般设计的温度范围-37°C -204°C。
■铜是制造的主要材料。还可以为极端工作条件选择不锈钢,铝合金和PTFE。
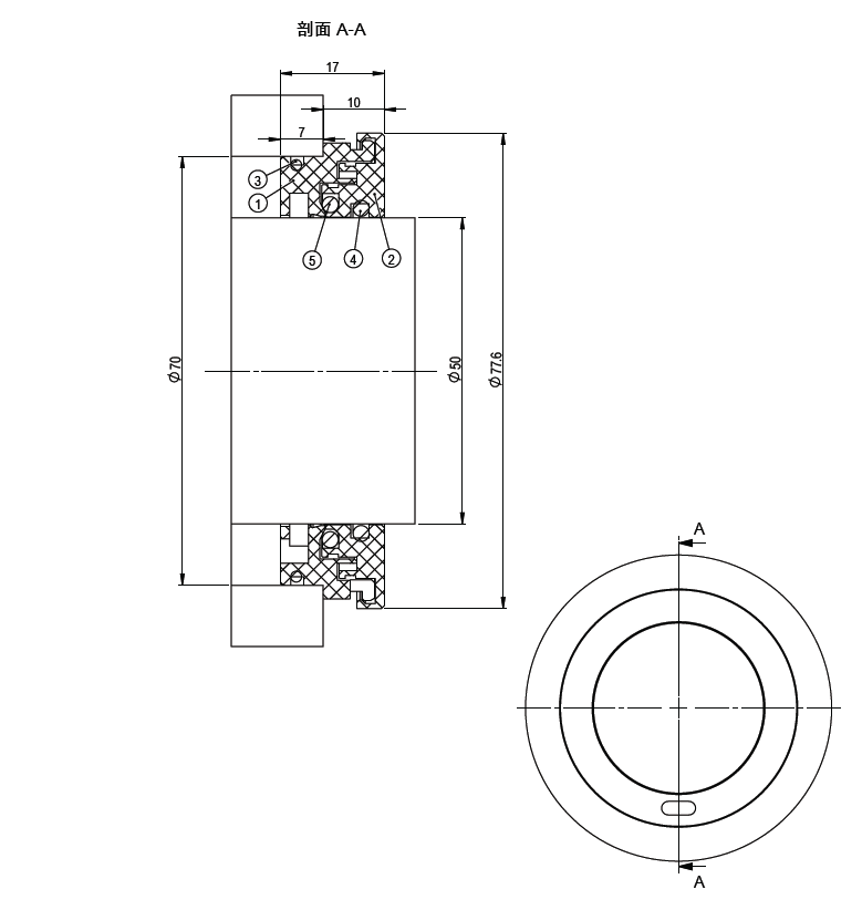
规格
| 不 | 降低 | 材料 |
| 1 | 旋转 | 316SS |
| 2 | O形圈 | Viton® |
| 3 | O形圈 | Viton® |
| 4 | O形圈 | Viton® |
| 5 | 定子住房 | 青铜 |
组装图

下载
版权所有©2024 福步密封技术(苏州)有限公司。版权所有。