产品描述
关键功能
•密封配置为1CW-FX,与固定的油门衬套接触单湿密封件。
•平衡的整体环设计可以更好地抵抗密封室中的压力波动。
•固定推动器墨盒密封设计。
• 有效的泵效率环设计,以获得更好的循环效果。
• 迷宫形的节流设计可与高温介质更好地隔离。
• 结合23个方案热交换器,最高中等温度可以达到260℃。
•配备淬火和排水环境端口。
•坚固的密封戒指,轴套筒和其他组件。
• 用于API计划23。
规格
| 操作参数 | |
| 温度 | -20°C〜 +200°C |
| 压力 | ≤40bar |
| 线性速度 | ≤30m/s |
| 密封产品 | 石化,油,天然气,水,油和其他类似媒体 |
| 材料 | |
| 密封脸 | SSIC/TC/碳 |
| 橡皮 | EPDM / FKM / AFLAS® / KALREZ® |
| 弹簧 | 合金276 |
| 金属零件 | 316S/双链/合金276/904L |
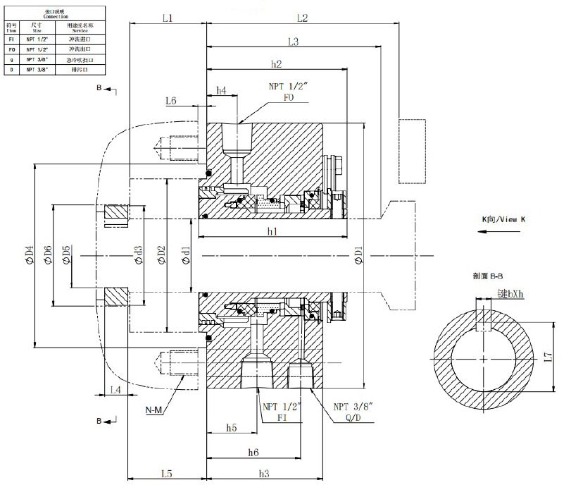
组装图

下载
版权所有©2024 福步密封技术(苏州)有限公司。版权所有。