产品描述
关键功能
•密封配置为3CW-FB,也可以用作2CW-CW。
•内部密封采用分布的冲洗,可以均匀地冷却摩擦表面。
•内部密封采用双平衡的积分环设计,可以有效地降低压力波动的影响,并且适合安装2和布置3。
•外部密封效果与计划52结合,提供了额外的抑制密封效果,而计划53A/53B/54最大程度地抑制了高风险漏气到大气中的抑制。
•在安排2或安排3操作,控制或消除过程排放的情况下进行良好的表现。
•用于API计划52/53A/53B/54/61/62。
规格
| 操作参数 | |
| 温度 | -20°C〜 +200°C |
| 压力 | ≤40bar |
| 线性速度 | ≤30m/s |
| 密封产品 | 石化,油,天然气,水,油和其他类似媒体 |
| 材料 | |
| 密封脸 | SSIC/TC/碳 |
| 橡皮 | EPDM / FKM / AFLAS® / KALREZ® |
| 弹簧 | 合金276 |
| 金属零件 | 316S/双链/合金276/904L |
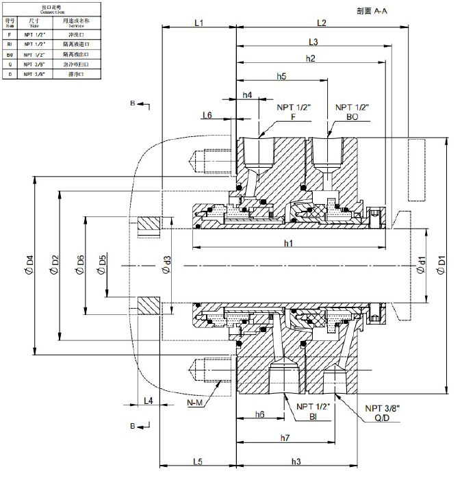
组装图

下载
版权所有©2024 福步密封技术(苏州)有限公司。版权所有。