产品描述
关键功能
●符合API682标准的石油和气体化学泵的特殊密封。
●平衡的积分环设计可以更好地抵抗密封室中的压力波动。
●内侧和外侧都采用静态环补偿端面部技术。
●更强的密封戒指,轴套筒和其他组件。
●更高的压力极限和温度极限。
●创新的分布式冲洗设计,该设计均匀地冷却环形表面,同时潮红颗粒积聚在环形表面。
●配备均匀分布的冲洗导圈,可以均匀地冷却摩擦表面。
●用于API计划11/21/31/32/41/61/62。
规格
| 操作参数 | |
| 温度 | -20°C〜 +200°C |
| 压力 | ≤40bar |
| 线性速度 | ≤30m/s |
| 密封产品 | 石化,油,天然气,水,油和其他类似媒体 |
| 材料 | |
| 密封脸 | SSIC/TC/碳 |
| 橡皮 | EPDM / FKM / AFLAS® / KALREZ® |
| 弹簧 | 合金276 |
| 金属零件 | 316S/双链/合金276/904L |
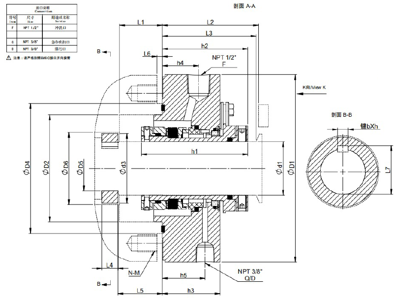
组装图

下载
版权所有©2024 福步密封技术(苏州)有限公司。版权所有。