产品描述
关键功能
适用于ANSI标准室。
符合ASME B73.1和B73.2标准泵室尺寸LModular墨盒设计。
配备冲洗,淬火和排水环境端口。
较高的压力极限:最多25 bar最大压力
配备了大直径3/8 “轴直径35以上的界面,以最大化冷却效率
标准设计带有节流衬里,适用于API等潮红方案,例如11/21/31/32/61/62。
尺寸范围为1.375 “至3.625 ”(34.9mm至66.67mm)。
可以替换5610,CSSN CARTEX-ASQN。
规格
| GSMA | |
| 温度 | -20° C 至 +160° C |
| 压力 | 0〜25 bar |
| 速度 | 最多 M/ 25 s |
| 密封 产品 | 酸,碱性, 低 比例 的 纸浆, 水, 油 和 其他 类似 培养基。 |
| 物质 布置 | |
| 密封 面 | SSIC/碳/TC |
| 橡皮 | EPDM/ FKM/ AFLAS/ KALREZ |
| 弹簧 | 合金 276 |
| 梅泰 | 316S/双链/合金 276/904L |
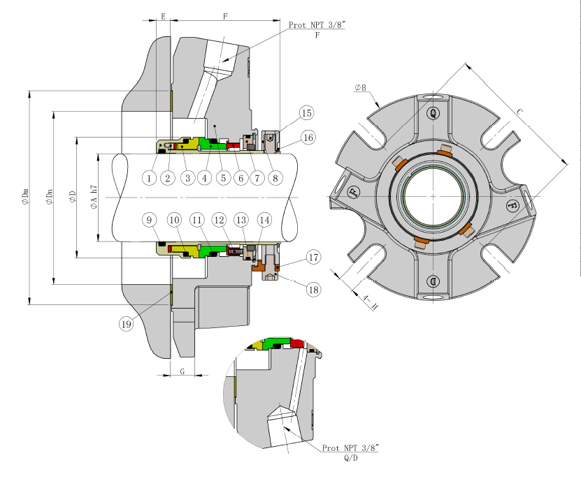
组装图

下载
GSM ANSI .pdfGSM≤70mm.pdf
GSM
>70mm.pdf
版权所有©2024 福步密封技术(苏州)有限公司。版权所有。