产品描述
关键功能
•前端设计的管道可以承受介质的较高温度。
•内部密封采用分布的冲洗,可以均匀地冷却摩擦表面。
•内部密封 既适用于排列2和布置3。 排列 2优于3。
•外部密封与计划52结合使用,提供了额外的抑制密封效果,而计划53A/53B/54则最大化了对高风险流体泄漏到大气中的抑制。
•有效的 抽水卷轴设计,以更好地循环效果。
•用于API计划52/53A/53B/54/61/62。
规格
| 关键词 | Apog机械密封 | |
| 材料 | 密封脸 | SSIC/TC/碳 |
| 橡皮 | EPDM/ FKM / AFLAS/ KALREZ | |
| 弹簧 | 合金276 | |
| 金属零件 | 316S/双链/合金20/HAST.C276/钛/锆等。 | |
| 成分 | 静态环和动态环 | 安装在固定设备组件和旋转轴上 |
| 弹簧和压力板 | 提供压力以确保静态环和动态环之间的紧密接触以有效密封。 | |
| 密封表面润滑 | 减少摩擦和热量 | |
| 操作参数 | 温度 | -20°C至 +250°C |
| 压力 | ≤40bar | |
| 线性速度 | ≤30m/s | |
| 密封产品 | 石化,油,天然气,水,油和其他类似媒体 |
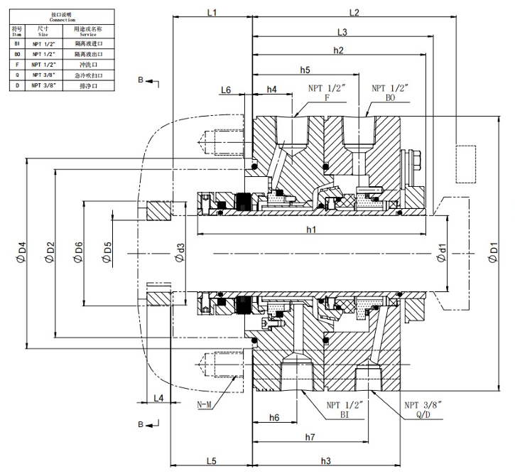
组装图

下载
版权所有©2024 福步密封技术(苏州)有限公司。版权所有。